منتجات
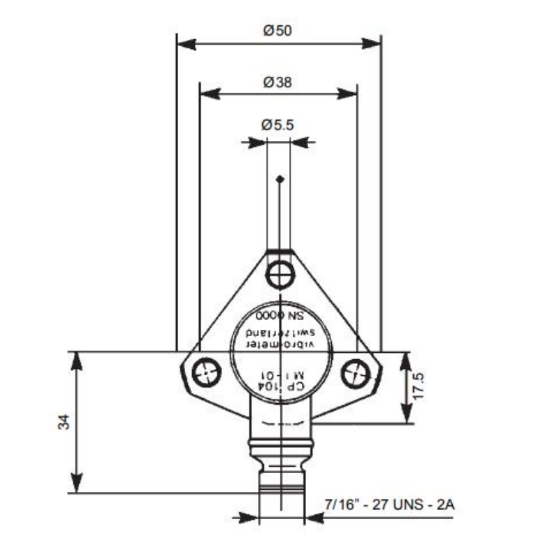
The CP104 is a Piezoelectric Pressure Transducer designed for use in the machinery protection system and condition monitoring system.
وسم :
VMرقم الجزء :
CP104 143-104-000-101وصف :
Piezoelectric Pressure Transducerأصل :
Switzerlandشرط :
Newالبعد :
50 mm x 41 mm x 50 mmثقل :
150 gدفع :
Bank Transfer
CP104 143-104-000-101 Piezoelectric Pressure Transducer
Functional Description
The use of VC2 type single crystal material in the CP 104 compression mode dynamic pressure transducer
provides an extremely stable instrument.
The transducer is designed for long-term monitoring or development testing.
The CP 104 pressure transducer may be operated with either softline or hardline cables depending on the
required temperature.
Features
· High-temperature capability -196°C to +400°C
· Acceleration compensated
· Operational in primary circuit of ABWR
· Proven reliability
· Will meet IEEE 323-1974
Technical Specifications
| Manufacturer | VM |
| Part Number | CP104 |
| Ordering Information | 143-104-000-101 |
| Product Catalog | Vibration Monitoring |
| Description | Piezoelectric Pressure Transducer |
| Voltage | 24 Vdc |
| Current | 1A |
| Dimensions | 50 mm x 41 mm x 50 mm |
| Weight | 150 g |
